Login or REGISTER
    KATY Electronic Technology Co., LTD KATY Electronic Technology Co., LTD

    48V System Boom: New Opportunities for DRV8251ADDAR in Industrial and Intelligent Devices

    DRV8251ADDAR
    Part No.:
    DRV8251ADDAR
    Manufacturer:
    Texas Instruments
    Package:
    8-PowerSOIC (0.154", 3.90mm Width)
    Description:
    48-V, 3.5-A H BRIDGE MOTOR DRIVE
    Quantity:
    Payment:
    Payment
    Shipping:
    Shipping

    Article Details

    • Details
    • Specifications
    • Comparison

    The 48V system is rapidly gaining popularity.

    The 48V system is expanding from the automotive field to industrial automation and smart devices, becoming a new design trend. The core is the adoption of a 48-volt power supply/electrical architecture. Compared to the traditional 12V/24V systems, 48V has the advantages of higher power output, lower current loss, and better suitability for long-distance power supply. The most mainstream application is the start-up 48V mild hybrid system. In industrial equipment, smart appliances, and IoT terminals, 48V is gradually becoming a new standard.

    The application driving forces behind the 48V trend

    1. Industrial automation upgrade: For example, electric actuators, small mechanical arms, and automated conveying systems, the requirements for motor drives are higher, and they need to meet the requirements of "high efficiency + high reliability + small size".
    2. Power enhancement for intelligent devices: Like smart door locks, for example, from "usable" to "high performance + silent + long lifespan".
    3. Development of IoT device edge computing: More actions are executed locally, and motors become the key execution units. At the same time, the requirements for the driving chip must be highly integrated, easy to design, and cost-effective.

    48V System Background: DRV8251ADDAR

    Although 48V brings advantages, it also faces new problems. The increase in circuit design complexity, the high BOM cost of discrete MOS solutions, the tendency for motors to lock up and damage the system, and the increase in difficulty in heat dissipation and protection design. This is precisely the opportunity for highly integrated driver ICs. Under this trend, DRV8251ADDAR has become a very competitive solution.

    The main features of DRV8251ADDAR

    • N-channel H-bridge for brushless DC motor driver
    • 4.5V to 48V working power supply voltage range
    • High output current capacity: 4.1A peak
    • Control interface: PWM + IN control
    • Support 1.8V, 3.3V and 5V logic input
    • Integrated IPROPI current detection and current regulation for stall detection
    • Low power consumption sleep mode
      • Less than 1µA at VVM = 24V, TJ = 25°C
    • Package: HTSSOP (with heat sink pads)
    • Integrated protection features
      • VM under-voltage lockout (UVLO)
      • Automatic recovery overcurrent protection (OCP)
      • Thermal shutdown (TSD)

    The core value of DRV8251ADDAR

    1. Voltage and current capabilities: Precisely adapted to 48V systems
    • Wide voltage range: Working voltage of 4.5V - 48V, with a 50V withstand voltage, directly compatible with 48V bus, no need for additional voltage reduction / boosting, capable of withstanding voltage fluctuations and motor reverse electromotive force in 48V systems.
    • Strong driving capability: Peak current of 4.1A / Continuous current of 3.7A, meeting the driving requirements of 48V small and medium power brushed DC motors.
    • Low on-state loss: N-channel H-bridge, typical RDS(on) of 450mΩ, lower heat generation at 48V and higher efficiency.
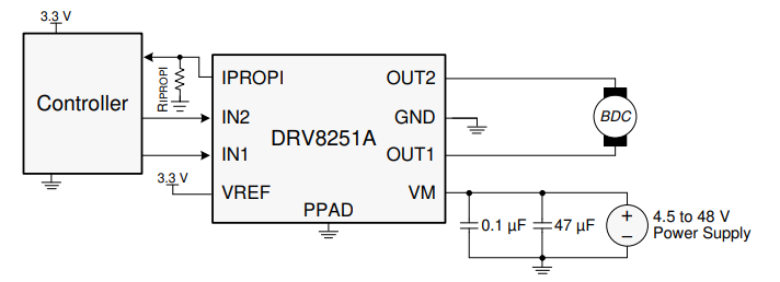
    Typical Connections

    2. Integration: Saves space, reduces costs, simplifies design

    • Built-in IPROPI current mirror: No need for external high-power shunt resistors (DRV8251: 4.5V to 48V, 450mΩ shunt resistor), directly outputs an analog signal proportional to the motor current, used for current loop, stall detection, and overcurrent protection, saving PCB area and BOM costs.
    • Built-in charge pump: Supports 100% duty cycle drive, no need for external boost, suitable for long-term full-speed operation scenarios.
    • Single-chip H-bridge: 8-pin HTSSOP, 4.9×6.0mm ultra-small package, suitable for high-density layout in 48V systems.
    3. Control and Protection: High reliability guarantee for 48V system
    • Intelligent protection: Overcurrent protection, thermal protection, under-voltage lockout, improving system reliability.
    • Logic compatibility: Supports 1.8V/3.3V/5V PWM input, directly connects to mainstream MCUs, no need for level conversion.
    • Hardware current limiting: Sets the current threshold through the VREF pin, automatically limits current during startup/stall, protecting the 48V bus and motor windings.
    • Ultra-low power consumption: Less than 1μA in sleep mode, suitable for 48V battery-powered equipment.

    Advantages of the same series 48V system comparison

    DRV8251A is a "one-stop" preferred solution for 48V brushed DC motor drives - with precise voltage matching, the highest integration level, strong reliability, and the best cost and size. It significantly simplifies the design of 48V systems.

    Opportunities and Trends

    As 48V systems become more widespread, OEM manufacturers tend to favor standardized solutions. They pay more attention to stable delivery times, cost optimization, and alternative capabilities when purchasing. Therefore, original equipment manufacturer (OEM) solutions like TI are more likely to be prioritized for purchase. The development of 48V systems is driving the upgrade of motor drive architectures. The future trend is very clear: higher voltages, higher integration, and lower BOM costs. From this perspective, DRV8251A is not just a chip, but also a "design upgrade entry point".

    Common FAQs

    1. Why 48V instead of 12V / 24V / higher voltages?
    Under the same power requirements, increasing the voltage can reduce current. The current of 12V is too large, with low efficiency and severe heat generation. 24V is better than 12V, but it still has a relatively high current, and it gradually falls behind in industrial or intelligent equipment applications. Higher voltages have safety risks, more complex certifications, and higher PCB design difficulties. 48V is just in a very critical range, being the optimal solution between efficiency, safety, and cost.
    2. What are the advantages of DRV8251A compared to discrete MOS solutions?
    DRV8251A integrates the H-bridge, current detection, and protection functions, reducing the number of peripheral components, lowering the BOM cost, and simplifying the design.

    Product attributes
    Attribute value
    Manufacturer:
    Texas Instruments
    Series:
    -
    Package/Case:
    8-PowerSOIC (0.154", 3.90mm Width)
    Packaging:
    Tape & Reel (TR)
    Part Status:
    Active
    Resistance:
    Bipolar
    Tolerance:
    Brushed DC
    Composition:
    Half Bridge (2)
    Features:
    PWM
    Temperature Coefficient:
    NMOS
    Operating Temperature:
    -
    Supplier Device Package:
    Printer
    Power (Watts):
    Driver - Fully Integrated, Control and Power Stage
    Ratings:
    4.1A
    Size / Dimension:
    4.5V ~ 48V
    Height - Seated (Max):
    4.5V ~ 48V
    Number of Terminations:
    -40°C ~ 150°C (TJ)
    Failure Rate:
    -
    Image DRV8251ADDAR
    Part Number DRV8251ADDAR
    Manufacturer Texas Instruments
    Series -
    Package/Case 8-PowerSOIC (0.154", 3.90mm Width)
    Packaging Tape & Reel (TR)
    Part Status Active
    Motor Type - Stepper Bipolar
    Motor Type - AC, DC Brushed DC
    Output Configuration Half Bridge (2)
    Interface PWM
    Technology NMOS
    Supplier Device Package 8-SO PowerPad
    Step Resolution -
    Part Applications Printer
    Function Driver - Fully Integrated, Control and Power Stage
    Current - Output 4.1A
    Voltage - Supply 4.5V ~ 48V
    Mounting Style Surface Mount
    Voltage - Load 4.5V ~ 48V
    Qualification -
    Operating Temperature -40°C ~ 150°C (TJ)
    Grade -

    inventory:4,437

    Please send an inquiry. Send us your inquiry, and we will respond immediately.

    Part Number
    Quantity
    Price
    Name
    Company
    Email
    Comments
    DRV2603RUNR
    DRV2603RUNR

    Texas Instruments

    DRV8837CDSGR
    DRV8837CDSGR

    Texas Instruments

    DRV8837DSGR
    DRV8837DSGR

    Texas Instruments

    DRV8838DSGR
    DRV8838DSGR

    Texas Instruments

    DRV8839DSSR
    DRV8839DSSR

    Texas Instruments

    EMC2301-1-ACZL-TR
    EMC2301-1-ACZL-TR

    Microchip Technology

    Your email
    Your message
    KATY Electronic Technology Co., LTD

    HOME

    KATY Electronic Technology Co., LTD

    PRODUCT

    KATY Electronic Technology Co., LTD

    PHONE

    KATY Electronic Technology Co., LTD

    USER