Login or REGISTER
    KATY Electronic Technology Co., LTD KATY Electronic Technology Co., LTD

    AD9173BBPZ - High-performance 16-bit 12.6 GSPS dual-channel RF DAC

    AD9173BBPZ
    Part No.:
    AD9173BBPZ
    Manufacturer:
    Analog Devices Inc.
    Package:
    144-FBGA
    Description:
    IC RF DAC 144BGA
    Quantity:
    Payment:
    Payment
    Shipping:
    Shipping

    Article Details

    • Details
    • Specifications
    • Comparison

    Introduction

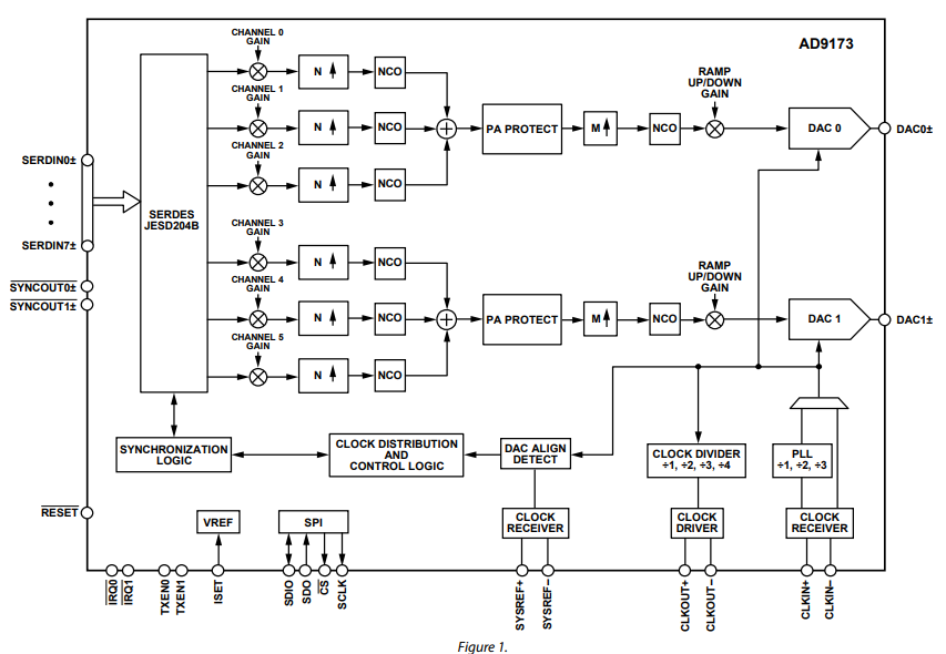
    The AD9173BBPZ is a high-performance dual-channel 16-bit digital-to-analog converter (DAC) from Analog Devices, packaged in a BGA-144 (10x10) format. It can achieve a sampling rate up to 12.6 GSPS. This device integrates an 8-channel, 15.4 Gbps JESD204B data input interface, a high-performance on-chip DAC frequency multiplier, and digital signal processing capabilities for single-band and multi-band direct radio frequency (RF) wireless applications. It is highly practical for applications in wireless communication infrastructure, instrumentation, and automated test equipment.


    FUNCTIONAL BLOCK DIAGRAM


    Features

    • Supports multiband wireless applications
    • 3 bypassable, complex data input channels per RF DAC
    • 1.54 GSPS maximum complex input data rate per inputchannel
    • 1 independent NCO per input channel
    • Proprietary, low spurious and distortion design
    • 2-tone IMD = −83 dBc at 1.8 GHz, −7 dBFS/tone RF output
    • SFDR < −80 dBc at 1.8 GHz, −7 dBFS RF output
    • Flexible 8-lane, 15.4 Gbps JESD204B interface
    • Supports single-band and multiband use cases
    • Supports 12-bit high density mode for increased data throughput
    • Multiple chip synchronization
    • Supports JESD204B Subclass 1
    • Selectable interpolation filter for a complete set of input data rates
    • 1×, 2×, 3×, 4×, 6×, and 8× configurable data channel interpolation
    • 1×, 2×, 4×, 6×, 8×, and 12× configurable final interpolation
    • Final 48-bit NCO that operates at the DAC rate to support frequency synthesis up to 6 GHz
    • Transmit enable function allows extra power saving and downstream circuitry protection
    • High performance, low noise PLL clock multiplier
    • Supports 12.6 GSPS DAC update rate
    • Observation ADC clock driver with selectable divide ratios Low power
    • 2.55 W at 12 GSPS, dual channel mode
    • 10 mm × 10 mm, 144-ball BGA_ED with metal enhancedthermal lid, 0.80 mm pitch

    Electrical Characteristics

    DAC Performance
    • Resolution: 16 bit
    • Maximum update rate: 12.6 GSPS
    • Complex input rate: 1.54 GSPS (11-bit) / 1.23 GSPS (16-bit)
    • Ultra-wideband mode rate: 3.08 GSPS (11-bit, 16-bit SERDES) / 3.4 GSPS (11-bit, 12-bit SERDES)
    RF Performance
    • Dual-tone IMD: −83 dBc @ 1.8 GHz, −7 dBFS
    • SFDR: < −80 dBc @ 1.8 GHz, −7 dBFS 

    Interface

    • JESD204B interface: 8-lane, 15.4 Gbps per lane, Subclass 1
    • Number of data channels: 3 bypass complex input channels per RF DAC
    Clock and digital processing
    • NCO: 48-bit per channel, supports frequency synthesis up to 6 GHz
    • Interpolation filtering: Channel interpolation 1×~8×, final interpolation 1×~12× 

    Power consumption

    • Typical power consumption: 2.55 W @ 12 GSPS dual channels
    Package / Environment
    • Package: 144-ball BGA_ED, 10×10 mm, 0.8 mm pitch
    • Operating temperature: -40°C ~ +85°C
    • Please note the layout of high-speed signals, analog outputs, power isolation, and heat dissipation pads

    Application

    1. Wireless communication infrastructure
    2. Multi-band base station radio frequency system
    3. Microwave/E-band backhaul system
    4. Instrumentation, automated test equipment (ATE)

    Typical Application Components

    1. JESD204B High-Speed Interface: FPGA → Differential Line Pair → AD9173 JESD Rx
    2. Clock Input: High-frequency low-jitter clock source → Clock Buffer → DACCLK/REFCLK
    3. SYSREF Synchronization: Clock Chip → SYSREF → FPGA & AD9173
    4. RF Output: DACOUTP/N → Balun → Matching Circuit → RF Link
    5. Power Supply: Multiple LDO/PMIC Provide 1.0V, 1.3V, 1.8V
    6. Control Interface: SPI Interface for Configuration Control

    PRODUCT HIGHLIGHTS

    1. Supports single-band and multiband wireless applicationswith three bypassable complex data input channels per RFDAC at a maximum complex input data rate of 1.54 GSPSwith 11-bit resolution and 1.23 GSPS with 16-bitresolution. One independent NCO per input channel.
    2. Ultrawide bandwidth channel bypass modes supporting upto 3.08 GSPS data rates with 11-bit resolution, 16-bitSERDES packing and 3.4 GSPS with 11-bit resolution, 12-bit SERDES packing.
    3. Low power dual converter decreases the amount of powerconsumption needed in high bandwidth and multichannelapplications.

    Absolute maximum ratings

    ABSOLUTE MAXIMUM RATINGS

    Working principle

    The core working principle of AD9173 is as follows: It receives high-speed digital IQ data through the JESD204B interface → performs digital up-conversion and interpolation processing → outputs high-linearity signals directly in the radio frequency band using a 16-bit high-speed DAC. The main workflow is divided into four parts: digital front-end → digital up-conversion → DAC output stage → RF output.

    1. Digital Front-End

    The external FPGA or baseband processor transmits high-speed IQ digital data through the 8-lane JESD204B interface into the chip.
    Each channel supports up to:
    • 1.54 GSPS complex input
    • Based on 11/16-bit SERDES packing
    JESD204B Subclass 1 provides deterministic delay to ensure multi-chip synchronization

    2. Digital Channel Processing

    AD9173 contains 3 bypassable complex data channels for each RF DAC. Each data input channel includes configurable gain stages, interpolation filters, and channel numerically controlled oscillators for flexible multi-band frequency planning.

    3. Internal Clock System

    AD9173 has a high-performance low-noise PLL that can multiply the external reference clock to generate the required high-speed clock for the DAC.

    4. DAC Core

    The data after digital up-conversion enters the high-speed DAC
    • Resolution: 16-bit
    • Fastest update rate: 12.6 GSPS
    • Output is in current-mode differential signal
    • The RF output is achieved through external Balun and matching circuits

    5. RF Output Stage

    The DAC output is a high-speed differential current signal, which is processed by the external network:
    • AC coupling capacitor
    • Balun (converts differential to single-ended)
    • Filter (low-pass or band-pass)
    • Driver power amplifier (PA) or test instrument front-end
    Finally, it can be directly output to the radio frequency carrier frequency band (up to 6GHz frequency synthesis).

    Conclusion

    The AD9173BBPZ is an ultra-high-speed dual-channel 16-bit RF DAC that supports a sampling rate of up to 12.6 GSPS and is equipped with an 8-lane 15.4 Gbps JESD204B interface, enabling faster data throughput and system bandwidth. Each channel features 3 complex input paths and independent NCO, facilitating the generation of multi-frequency bands and wideband signals, among other advantages. With its internal NCO, interpolation filter, multiple data channels, and PLL clock system, the AD9173 can directly generate high-frequency, wideband, and low-distortion RF signals, significantly simplifying the wireless transmission architecture.


    Product attributes
    Attribute value
    Manufacturer:
    Analog Devices Inc.
    Series:
    -
    Package/Case:
    144-FBGA
    Packaging:
    Bulk
    Product Status:
    Active
    Resistance:
    Not Verified
    Tolerance:
    RF DAC
    Power (Watts):
    Wireless Infrastructure
    Composition:
    Surface Mount
    Features:
    144-BGA-ED (10x10)
    Temperature Coefficient:
    -
    Operating Temperature:
    -
    Supplier Device Package:
    Ratings:
    Size / Dimension:
    Height - Seated (Max):
    Number of Terminations:
    Failure Rate:
    Image AD9173BBPZ AD9173BBPZRL
    Part Number AD9173BBPZ AD9173BBPZRL
    Manufacturer Analog Devices Inc. Analog Devices Inc.
    Series - -
    Package/Case 144-FBGA 144-FBGA
    Packaging Bulk Tape & Reel (TR)
    Product Status Active Active
    Programmable Not Verified Not Verified
    Type RF DAC RF DAC
    Applications Wireless Infrastructure Wireless Infrastructure
    Mounting Type Surface Mount Surface Mount
    Supplier Device Package 144-BGA-ED (10x10) 144-BGA-ED (10x10)
    Grade - -
    Qualification - -

    inventory:2

    Please send an inquiry. Send us your inquiry, and we will respond immediately.

    Part Number
    Quantity
    Price
    Name
    Company
    Email
    Comments
    CAP200DG-TL
    CAP200DG-TL

    Power Integrations

    ATSHA204A-MAHDA-T
    ATSHA204A-MAHDA-T

    Microchip Technology

    ATSHA204A-SSHDA-T
    ATSHA204A-SSHDA-T

    Microchip Technology

    ATSHA204A-STUCZ-T
    ATSHA204A-STUCZ-T

    Microchip Technology

    ATECC608B-MAHDA-T
    ATECC608B-MAHDA-T

    Microchip Technology

    ATECC608B-MAHCZ-S
    ATECC608B-MAHCZ-S

    Microchip Technology

    Your email
    Your message
    KATY Electronic Technology Co., LTD

    HOME

    KATY Electronic Technology Co., LTD

    PRODUCT

    KATY Electronic Technology Co., LTD

    PHONE

    KATY Electronic Technology Co., LTD

    USER