


ADM2587EBRWZ-REEL7 is a power isolation data transceiver packaged as SOIC-20, featuring ±15 kV electrostatic discharge (ESD) protection and suitable for high-speed communication on multi-point transmission lines. ADM2587E integrates an isolated DC-to-DC power supply, eliminating the need for an external DC-to-DC isolation module. It supports a single 5 V or 3.3 V power supply and provides a complete signal and power isolation RS-485 solution. The device incorporates iCoupler® technology, integrating 3-channel isolators, tri-state drivers, differential input receivers, and isoPower converters. It includes current limiting and thermal shutdown protection to ensure safe operation.
The suffix "-REEL7" indicates the packaging/form factor, provided in a complete reel format, suitable for surface mount automated printed circuit board assembly.
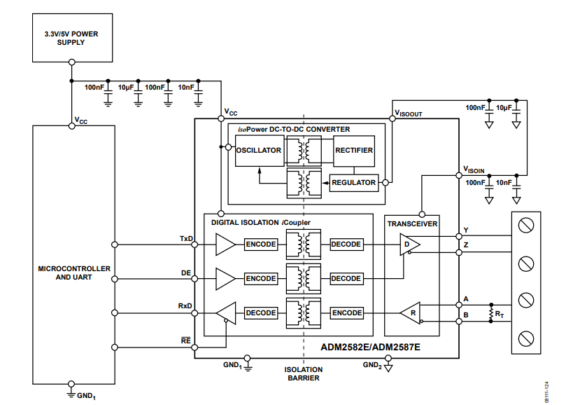
1. iCoupler® Signal Isolation Principle
The signal isolation of the ADM2587E is implemented on the logic side of the interface: The signals on the TxD/DE pins are transmitted through the isolation layer to the transceiver part, and the received signals of the transceiver also return through the isolation layer to the RXD pin to achieve signal isolation between the logic and the isolated ground.2. isoPower® Power Isolation Principle
The power isolation of the ADM2587E is achieved through the integrated isoPower isolated DC-to-DC converter: The VCC power supplies the oscillation circuit and injects current into the chip-level air-core transformer, and the energy transmitted to the secondary is rectified and stabilized to output 3.3 V. The secondary controller generates PWM control signals to regulate the output and provides real-time feedback to improve power and efficiency.3. RS-485 Transceiver Circuit Working Principle
The isolated signals and power are transmitted to the RS-485 bus:
The DM2587E can be used in half-duplex or full-duplex RS-485 networks. Up to 256 transceivers can be connected. To reduce signal reflection, the characteristic impedance terminal should be used at the receiving end, and the branch lines should be kept as short as possible. In half-duplex mode, terminal matching is required at both ends of the line. The capacitor layout should refer to the PCB layout suggestions. The placement of the terminal resistors depends on the node position and the network topology.
| Image | ![]() |
![]() |
| Part Number | ADM2587EBRWZ-REEL7 | ADM2587EBRWZ |
| Manufacturer | Analog Devices Inc. | Analog Devices Inc. |
| Series | IsoPower®, iCoupler® | IsoPower®, iCoupler® |
| Package/Case | 20-SOIC (0.295", 7.50mm Width) | 20-SOIC (0.295", 7.50mm Width) |
| Packaging | Tape & Reel (TR) | Tube |
| Part Status | Active | Active |
| Technology | Magnetic Coupling | Magnetic Coupling |
| Type | RS422, RS485 | RS422, RS485 |
| Number of Channels | 2 | 2 |
| Inputs - Side 1/Side 2 | 1/1 | 1/1 |
| Channel Type | Unidirectional | Unidirectional |
| Operating Temperature | -40°C ~ 85°C | -40°C ~ 85°C |
| Voltage - Isolation | 2500Vrms | 2500Vrms |
| Common Mode Transient Immunity (Min) | 25kV/µs | 25kV/µs |
| Isolated Power | Yes | Yes |
| Data Rate | 500kbps | 500kbps |
| Propagation Delay tpLH / tpHL (Max) | - | - |
| Qualification | - | - |
| Pulse Width Distortion (Max) | - | - |
| Mounting Style | Surface Mount | Surface Mount |
| Grade | - | - |
| Rise / Fall Time (Typ) | 1.1µs, 1.1µs (Max) | 1.1µs, 1.1µs (Max) |
| Voltage - Supply | 3.3V, 5V | 3.3V, 5V |
| Supplier Device Package | 20-SOIC | 20-SOIC |
Texas Instruments

Texas Instruments

Skyworks Solutions Inc.

Texas Instruments

Texas Instruments

Texas Instruments