


The ICM-42688-P is a 6-axis MEMS motion tracking device that integrates a 3-axis gyroscope and a 3-axis accelerometer. It supports I³C, I²C and SPI interfaces, features a 2 kB FIFO buffer and programmable interrupts, and has an ultra-low power motion wake-up function to reduce system power consumption. It is widely used in wearable devices, motion trackers, smart home appliances, robots and drones, etc.
This article will specifically elaborate on the key features, working principle, application fields, key data in the datasheet, Comparison,as well as design considerations of the ICM-42688-P, enabling readers and engineers to have a more intuitive understanding of the ICM-42688-P.
1. Sensing Principle:
The ICM-42688-P captures angular velocity and rotation information through a 3-axis gyroscope and measures acceleration and attitude with a 3-axis accelerometer, achieving high-precision 6-axis motion tracking.
2. Data Acquisition and Processing:
An internal 16-bit ADC converts analog signals to digital signals, and the data is stored in a 2 KB FIFO buffer for batch reading, reducing the communication frequency with the host and thus saving power. A 20-bit data format (19-bit gyroscope, 18-bit accelerometer) is adopted to enhance precision and ensure ultra-high resolution in motion detection.
3. Clock and Precision Control:
Supports high-precision external clock input (31–50 kHz) to reduce sensitivity errors caused by temperature and device variations, improving the stability of direction and output data rate.
4. Information Optimization and Extended Functions:
Equipped with a programmable digital filter and a temperature sensor to ensure data reliability. Provides programmable interrupts for event-driven low-power applications.
5. Interface and System Integration:
Communicates with the host via I3C/I²C/SPI interfaces; I3C has a maximum speed of 12.5 Mbps, I²C has a maximum speed of 1 MHz, and SPI has a maximum speed of 24 MHz;Designed for low-voltage operation (1.71V–3.6V), it is easy to integrate into embedded systems and suitable for applications such as wearable devices, smart homes, drones, and robots.
Design Considerations
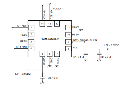
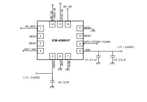
When designing the ICM-42688-P, a balance must be struck between power consumption and accuracy based on the application scenario, and the mode should be dynamically switched (LP mode is suitable for low power consumption, and LN mode is suitable for high precision). The filter should be reasonably configured to balance noise and delay, and ensure that the interface rate matches the host. The impact of the clock source accuracy on the overall measurement stability should be considered during the design. The ODR depends on the external clock input frequency. If a 32.768 kHz clock is used, the ODR and timestamp should be scaled proportionally to ensure that the data is consistent with the actual sampling. Invalid values in the FIFO data should be properly handled to maintain integrity. At the same time, the interrupt and reset parameters should be correctly configured to ensure stable communication and data reliability.
| Image | ![]() |
![]() |
![]() |
![]() |
![]() |
| Part Number | ICM-42670-P | ICM-42605 | ICM-20602 | ICM-42688-P | ICM-20948 |
| Manufacturer | TDK InvenSense | TDK InvenSense | TDK InvenSense | TDK InvenSense | TDK InvenSense |
| Series | MotionTracking™ | - | - | - | - |
| Package/Case | 14-VFLGA | 14-VFLGA Module | 16-WFLGA Module | - | 24-TFQFN Module Exposed Pad |
| Packaging | Tape & Reel (TR) | Tape & Reel (TR) | Tape & Reel (TR) | Tape & Reel (TR) | Tape & Reel (TR) |
| Part Status | Active | Active | Not For New Designs | Active | Not For New Designs |
| Sensor Type | Accelerometer, Gyroscope, Temperature, 6 Axis | Accelerometer, Gyroscope, 6 Axis | Accelerometer, Gyroscope, Temperature, 6 Axis | Accelerometer, Gyroscope, 6 Axis | Accelerometer, Gyroscope, Magnetometer, 9 Axis |
| Output Type | I2C, SPI | I2C, I3C, SPI | I2C, SPI | - | I2C, SPI |
| Grade | - | - | - | - | - |
| Qualification | - | - | - | - | - |
| Supplier Device Package | 14-LGA (2.5x3) | 14-LGA (2.5x3) | 16-LGA (3x3) | - | 24-QFN (3x3) |
| Mounting Style | Surface Mount | Surface Mount | Surface Mount | - | Surface Mount |
| Operating Temperature | -40°C ~ 85°C | -40°C ~ 85°C | -40°C ~ 85°C | - | -40°C ~ 85°C |

Bosch Sensortec

TDK InvenSense

TDK InvenSense

STMicroelectronics

STMicroelectronics

STMicroelectronics