Login or REGISTER
    KATY Electronic Technology Co., LTD KATY Electronic Technology Co., LTD

    LTC2412: The Ideal Choice for High-Precision Dual-Channel 24-Bit ΔΣ ADC

    LTC2412CGN#PBF
    Part No.:
    LTC2412CGN#PBF
    Manufacturer:
    Analog Devices Inc.
    Package:
    16-SSOP (0.154", 3.90mm Width)
    Description:
    IC ADC 24BIT SIGMA-DELTA 16SSOP
    Quantity:
    Payment:
    Payment
    Shipping:
    Shipping

    Article Details

    • Details
    • Specifications
    • Comparison

    In the field of high-precision analog signal acquisition, the resolution, noise performance and anti-interference ability of the analog-to-digital converter often determine the overall measurement accuracy of the system. The LTC2412 is precisely such a Delta-Sigma-ADC that can provide 24-bit resolution on two differential inputs and is widely used in industrial measurement and precision instruments.

    Understanding LTC2412

    Decomposition of LRC2412 chip

    The chip size of LTC2412 is 3.1 mm x 2.0 mm. The left area of the chip integrates typical logic structures to achieve control and digital filtering functions. The digital interface is located at the lower edge of the chip, surrounded by two grounding pads on both sides. Three differential input terminals are placed at the upper edge. On the right area of the chip, there are three larger symmetrical structures, which have larger capacitance values and might be three differential sigma modulators.

    The main parameters of LTC2412 in the data sheet

    The data sheet indicates that the integral non-linearity of LTC2412 is 2ppm, the full-scale deviation is 2.5ppm, the offset is 0.1ppm, the root mean square noise is 0.16ppm, and it has extremely high accuracy and stability. These are just typical values and not the maximum values. The internal oscillator operates at a frequency of 19.2kHz. The maximum external clock can reach 500kHz. At this time, the conversion time is 41 milliseconds. Under a supply voltage of 2.7V to 5.5V, LTC2412 consumes only 200 microamps of current during normal operation.
    Functional Block Diagram

    The block diagram in the data table illustrates the integrated functions of the LTC2412. The two differential inputs are switched to the input of the ΔΣ analog-to-digital converter through a multiplexer. The reference voltage is also provided in a differential manner. This ADC is a third-order ΔΣ modulator, which means that three modulators are connected in series, thereby improving the signal-to-noise ratio. Before the final serial output data, there is a digital filter. The internal clock can be configured to filter out 50Hz or 60Hz interference as much as possible.

    ABSOLUTE MAXIMUM RATINGS

    ABSOLUTE MAXIMUM RATINGS

    Using LTC2412

    The LTC2412 is a high-performance ADC. For engineering applications that require high-resolution measurements, strict power-frequency suppression, and low-power consumption, the LTC2412 needs to achieve high-precision and low-noise signal conversion. Its core working process is divided into four stages: signal acquisition - ΔΣ modulation - digital filtering - data output.
    1. Differential Input and Channel Switching Mechanism
    The LTC2412 has two differential input channels. When the chip is operating, it automatically alternates between the two channels for sampling and conversion, without the need for external control of the multiplexer. After each conversion is completed, the output data will include a channel ID identifier, allowing the master control system to easily distinguish which channel the current data comes from.
    2. Delta-Sigma Modulation Principle
    After the analog signal enters the ADC, the LTC2412 oversamples the input signal and uses the ΔΣ modulator to convert the continuous analog voltage into a high-speed bit stream of one or more bits, achieving a 24-bit resolution and extremely low noise.
    3. No Latency Digital Filtering
    The LTC2412 adopts a non-delay digital filtering structure, characterized by:
    • One conversion yields completely stable data
    • No need to discard previous results after channel switching
    • Perfect for multi-channel polling measurement
    4. Interference Suppression Mechanism at Power Frequency
    The digital filter of the LTC2412 deeply suppresses 50Hz or 60Hz power frequency noise. Through a single pin configuration, it selects the 50Hz or 60Hz (±2%) suppression mode, achieving an differential mode suppression ratio of over 110dB at the target frequency.
    5. Voltage Input and Common Mode Control
    The conversion result of the LTC2412 is a proportional value relative to the external reference voltage VREF:
    • Supports differential reference voltages ranging from 0.1V to VCC
    • The full-scale input range is from -0.5VREF to +0.5VREF
    Meanwhile:
    • Input common mode voltage (VINCM)
    • Reference common mode voltage (VREFCM)
    Can be independently set within the GND to VCC range, making the front-end analog circuit design more flexible. Its DC common mode suppression ratio is higher than 140dB, significantly reducing the impact of common mode drift on the measurement results.
    6. Data Output and Communication Process
    After a conversion is completed, the LTC2412 outputs 24-bit conversion data and channel information through a three-wire serial interface:
    • Interface compatible with SPI/MICROWIRE
    • Simple communication structure, flexible timing
    • Easy to connect with MCU, FPGA
    The master control system only needs to wait for the conversion to complete and then read the data, without the need for complex control logic.

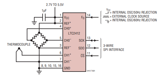
    LTC2412 Application Example

    With its high precision, low noise and strong anti-interference capability, the LTC2412 is particularly suitable for the following scenarios: 

    • Direct Sensor Digitizern
    • Weight Scalesn
    • Direct Temperature Measurementn
    • Gas Analyzersn
    • Strain-Gage Transducersn
    • Instrumentationn
    • Data Acquisitionn
    • Industrial Process Controln
    • 6-Digit DVMs
    TYPICAL APPLICATION

    FAQ about LTC2412

    1. Is the LTC2412 suitable for measuring DC or AC signals?
    The LTC2412 is mainly suitable for DC and low-frequency signal measurements. Its ΔΣ architecture and deep digital filtering offer extremely high accuracy for low-frequency and DC signals, and are not suitable for high-speed or high-frequency AC signal sampling.
    2. Why does the LTC2412 particularly emphasize 50Hz/60Hz suppression?
    In industrial and instrumentation applications, power frequency interference is the most common noise source. The LTC2412 can achieve a differential mode suppression ratio of >110dB at 50Hz or 60Hz (±2%).
    3. What is No Latency? What are the benefits?
    No latency means:
    • Each conversion result is completely stable
    • No data needs to be discarded after channel switching
    The benefits are:
    • Improving the utilization of effective data
    • Very suitable for multi-channel polling sampling
    • Simplifying software processing logic


    Product attributes
    Attribute value
    Manufacturer:
    Analog Devices Inc.
    Series:
    microPOWER™
    Package/Case:
    16-SSOP (0.154", 3.90mm Width)
    Packaging:
    Tube
    Part Status:
    Active
    Resistance:
    24
    Tolerance:
    7.5
    Composition:
    Differential
    Features:
    SPI
    Temperature Coefficient:
    MUX-ADC
    Operating Temperature:
    -
    Supplier Device Package:
    1
    Power (Watts):
    2
    Ratings:
    Sigma-Delta
    Size / Dimension:
    External
    Height - Seated (Max):
    2.7V ~ 5.5V
    Number of Terminations:
    2.7V ~ 5.5V
    Failure Rate:
    -
    Image LTC2412CGN#PBF LTC2412CGN#TRPBF
    Part Number LTC2412CGN#PBF LTC2412CGN#TRPBF
    Manufacturer Analog Devices Inc. Analog Devices Inc.
    Series microPOWER™ microPOWER™
    Package/Case 16-SSOP (0.154", 3.90mm Width) 16-SSOP (0.154", 3.90mm Width)
    Packaging Tube Tape & Reel (TR)
    Part Status Active Active
    Number of Bits 24 24
    Sampling Rate (Per Second) 7.5 7.5
    Input Type Differential Differential
    Data Interface SPI SPI
    Configuration MUX-ADC MUX-ADC
    Mounting Style Surface Mount Surface Mount
    Ratio - S/H:ADC - -
    Number of A/D Converters 1 1
    Number of Inputs 2 2
    Architecture Sigma-Delta Sigma-Delta
    Reference Type External External
    Supplier Device Package 16-SSOP 16-SSOP
    Voltage - Supply, Analog 2.7V ~ 5.5V 2.7V ~ 5.5V
    Grade - -
    Operating Temperature 0°C ~ 70°C 0°C ~ 70°C
    Voltage - Supply, Digital 2.7V ~ 5.5V 2.7V ~ 5.5V
    Features - -
    Qualification - -

    inventory:4,468

    Please send an inquiry. Send us your inquiry, and we will respond immediately.

    Part Number
    Quantity
    Price
    Name
    Company
    Email
    Comments
    ADC081C021CIMKX/NOPB
    ADC081C021CIMKX/NOPB

    Texas Instruments

    MCP3021A5T-E/OT
    MCP3021A5T-E/OT

    Microchip Technology

    TLA2024IRUGR
    TLA2024IRUGR

    Texas Instruments

    MCP3221A5T-E/OT
    MCP3221A5T-E/OT

    Microchip Technology

    MCP3221A5T-I/OT
    MCP3221A5T-I/OT

    Microchip Technology

    MCP3221A4T-E/OT
    MCP3221A4T-E/OT

    Microchip Technology

    Your email
    Your message
    KATY Electronic Technology Co., LTD

    HOME

    KATY Electronic Technology Co., LTD

    PRODUCT

    KATY Electronic Technology Co., LTD

    PHONE

    KATY Electronic Technology Co., LTD

    USER